
【產品用途】
我公司生產的美標止回閥,按照美國標準設計制造,結構美觀。美標止回閥是指依靠介質本身流動而自動開、閉閥瓣,用來防止介質倒流的閥門,又稱逆止閥、單向閥、逆流閥,其主要作用是防止介質倒流、防止泵及驅動電動機反轉,以及容器介質的泄放。
【性能參數】
|
序號 |
項目名稱 |
參數 |
|||||
|
1 |
公稱壓力PN(MPa) |
150LB |
300LB |
600LB |
900LB |
1500LB |
2500LB |
|
2.0 |
5.0 |
10.0 |
15.0 |
25.0 |
42.0 |
||
|
2 |
殼體強度試驗壓力 |
常溫下公稱壓力的1.5倍 |
|||||
|
3 |
高壓密封試驗壓力 |
常溫下公稱壓力的1.1倍 |
|||||
|
4 |
常溫下工作壓力 |
按ASME B16.34 壓力溫度額定值 |
|||||
【產品規范】
|
設計標準 |
結構長度 |
法蘭連接尺寸 |
試驗與檢驗 |
壓力與溫度基準 |
|
API6D/ASME B16.34 |
ASME B16.10 |
ASME B16.5 |
API598/API6D |
ASME B16.34 |
【主要零件材料】
|
零件名稱 |
材料名稱 |
|||||
|
閥體 |
A216 WCB |
A217 WC6 |
A351 CF8 |
A351 CF8M |
A351 CF3 |
A351 CF3M |
|
閥蓋 |
A216 WCB |
A217 WC6 |
A351 CF8 |
A351 CF8M |
A351 CF3 |
A351 CF3M |
|
閥板 |
A216 WCB |
A217 WC6 |
A351 CF8 |
A351 CF8M |
A351 CF3 |
A351 CF3M |
|
密封面 |
13Cr/STL |
STL |
本體/STL |
本體/STL |
本體/STL |
本體/STL |
|
閥軸 |
A182 F6a |
A182 F11 |
A182 F304 |
A182 F316 |
A182 F304L |
A182 F316L |
|
墊片 |
柔性石墨 |
柔性石墨 |
柔性石墨 |
柔性石墨 |
柔性石墨 |
柔性石墨 |
|
螺栓 |
A193 B7 |
A193 B16 |
A193 B8 |
A193 B8M |
A193 B8 |
A193 B8M |
|
螺母 |
A194 2H |
A194 4 |
A194 8 |
A194 8M |
A194 8 |
A194 8M |
|
使用溫度 |
-29~425℃ |
-29~540℃ |
-46~425℃ |
-46~425℃ |
-46~425℃ |
-46~425℃ |
|
適用介質 |
水、蒸汽 |
水、蒸汽 |
弱腐蝕性 |
弱腐蝕性 |
弱腐蝕性 |
弱腐蝕性 |
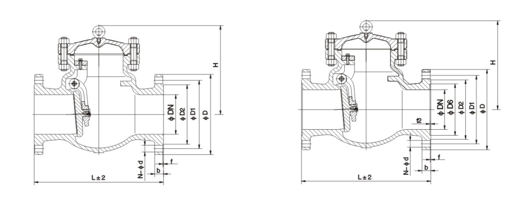
【主要外形和連接尺寸】
|
公稱通徑 |
尺寸 |
||||||||
|
m |
in |
L |
D |
D1 |
D2 |
b |
f |
n-Φd |
H |
|
H44H-150Lb |
|||||||||
|
50 |
2 |
203 |
152 |
120.5 |
92 |
16 |
1.6 |
4-19 |
180 |
|
80 |
3 |
241 |
192 |
152.5 |
127 |
19 |
1.6 |
4-19 |
190 |
|
100 |
4 |
297 |
229 |
190.5 |
157 |
24 |
1.6 |
8-19 |
203 |
|
125 |
5 |
330 |
254 |
216 |
186 |
24 |
1.6 |
8-22 |
229 |
|
150 |
6 |
356 |
279 |
241.5 |
216 |
26 |
1.6 |
8-22 |
257 |
|
200 |
8 |
495 |
342 |
298.5 |
270 |
29 |
1.6 |
8-22 |
292 |
|
250 |
10 |
622 |
406 |
362 |
324 |
31 |
1.6 |
12-25 |
355 |
|
300 |
12 |
698 |
483 |
432 |
381 |
32 |
1.6 |
12-25 |
396 |
|
H44H-300Lb |
|||||||||
|
50 |
2 |
267 |
165 |
127 |
92 |
23 |
1.6 |
8-19 |
178 |
|
80 |
3 |
318 |
210 |
168.5 |
127 |
29 |
1.6 |
8-22 |
216 |
|
100 |
4 |
356 |
254 |
200 |
157 |
32 |
1.6 |
8-22 |
241 |
|
125 |
5 |
400 |
279 |
235 |
186 |
35 |
1.6 |
8-22 |
267 |
|
150 |
6 |
444 |
318 |
270 |
216 |
37 |
1.6 |
12-22 |
305 |
|
200 |
8 |
533 |
381 |
330 |
270 |
42 |
1.6 |
12-25 |
368 |
|
250 |
10 |
622 |
445 |
387 |
324 |
48 |
1.6 |
16-29 |
394 |
|
300 |
12 |
711 |
521 |
451 |
381 |
51 |
1.6 |
16-32 |
445 |
|
H44H-600Lb |
|||||||||
|
50 |
2 |
295 |
165 |
127 |
92 |
33 |
6.4 |
8-19 |
203 |
|
80 |
3 |
359 |
210 |
168 |
127 |
36 |
6.4 |
8-22 |
235 |
|
100 |
4 |
435 |
273 |
216 |
157 |
45 |
6.4 |
8-25 |
286 |
|
125 |
5 |
511 |
330 |
266.5 |
186 |
52 |
6.4 |
8-29 |
292 |
|
150 |
6 |
562 |
356 |
292 |
216 |
55 |
6.4 |
12-29 |
330 |
|
200 |
8 |
664 |
419 |
349 |
270 |
63 |
6.4 |
12-32 |
381 |
|
250 |
10 |
791 |
510 |
432 |
324 |
71 |
6.4 |
16-35 |
457 |
|
300 |
12 |
842 |
559 |
489 |
381 |
74 |
6.4 |
20-35 |
584 |
【結構圖片】